技术参数
| 型号 | UE9019 | |
| 直流电压(VDC) | 48 | |
| 额定功率(W) | 1008.7 | |
| 额定转矩(N.m) | 3.85 | |
| 最大转矩(N.m) | 9.75 | |
| 额定电流(A) | 19 | |
| 最大电流(A) | 48 | |
| 额定转速(rpm) | 2500 | |
| 最高转速(rpm) | 2650 | |
| 转矩参数(Nm/A) | 0.20 | |
| 转动惯量(kg.cm²) | 4.35 | |
| 反电势系数(V/Krpm) | 18 | |
| 线电阻(ohms@20℃) | 0.078 | |
| 线电感(mH) | 0.048 | |
| 极对数(2P) | 21 | |
| 重量(kg) | 0.576 | |
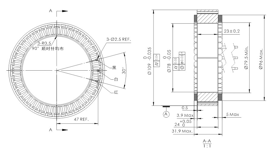
尺寸图纸
| 型号 | UE9019 | |
| 直流电压(VDC) | 48 | |
| 额定功率(W) | 1008.7 | |
| 额定转矩(N.m) | 3.85 | |
| 最大转矩(N.m) | 9.75 | |
| 额定电流(A) | 19 | |
| 最大电流(A) | 48 | |
| 额定转速(rpm) | 2500 | |
| 最高转速(rpm) | 2650 | |
| 转矩参数(Nm/A) | 0.20 | |
| 转动惯量(kg.cm²) | 4.35 | |
| 反电势系数(V/Krpm) | 18 | |
| 线电阻(ohms@20℃) | 0.078 | |
| 线电感(mH) | 0.048 | |
| 极对数(2P) | 21 | |
| 重量(kg) | 0.576 | |
上一篇
下一篇