技术参数
| 型号 | U4672-4000 | |
| 电压(VDC) | 48 | |
| 额定输出(W) | 366.8 | |
| 额定转矩(Nm) | 1 | |
| 瞬时最大转矩(Nm) | 2.8 | |
| 额定电流(Arms) | 11.3 | |
| 瞬时最大电流(Arms) | 33 | |
| 额定转速(rpm) | 3500 | |
| 最高转速(rpm) | 6000 | |
| 转矩参数(Nm/Arms) | 0.09 | |
| 转子转动惯量10-4kg.m² | 0.18 | |
| 反电势系数(V/Krpm) | 8 | |
| 线电阻(Ω) | 0.133 | |
| 线电感(mH) | 0.1 | |
| 极对数(2P) | 10 | |
| 重量(kg) | 0.586 | |
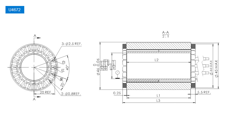
| 尺寸(mm) | L1(铁芯高度) | 61.5 |
| L2(转子高度) | 62 | |
| L3(整体高度) | 72 | |
尺寸图纸








