技术参数
| 型号 | UE8030 | |
| 直流电压(VDC) | 48 | |
| 额定功率(W) | 795 | |
| 额定转矩(N.m) | 3.1 | |
| 最大转矩(N.m) | 8.1 | |
| 额定电流(A) | 16 | |
| 最大电流(A) | 48 | |
| 额定转速(rpm) | 2450 | |
| 最高转速(rpm) | 2800 | |
| 转矩参数(Nm/A) | 0.194 | |
| 转动惯量(kg.cm²) | 1.6 | |
| 反电势系数(V/Krpm) | 17 | |
| 线电阻(ohms@20℃) | 0.189 | |
| 线电感(mH) | 0.098 | |
| 极对数(2P) | 21 | |
| 重量(kg) | ||
| 齿槽转矩(mN.m) | (参考值) | |
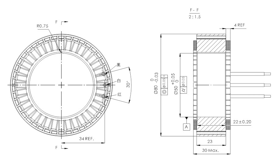
| 尺寸(mm) | L1(铁芯高度) | |
| L2(转子高度) | ||
| L3(整体高度) | ||
尺寸图纸







